全國統一服務熱線:15821596221
一、背景
在全球能源結構加速轉型以及可再生能源快速發展的大背景下,儲能技術作為能源系統中極為關鍵的一環,于工業、商業等眾多領域得到了廣泛應用。儲能系統能夠切實有效地平衡電力的供需關系,顯著提升能源利用效率,并且在電網調峰、應急供電等重要場景中發揮著不可替代的作用。不過,儲能系統在實際運行過程中,電氣安全問題格外凸顯,特別是絕緣性能一旦下降,極有可能引發漏電、短路,甚至是火災等嚴重事故。所以,絕緣監測已然成為保障儲能系統安全運行的重要舉措。
二、市場需求
2.1 儲能系統規模擴張,安全需求水漲船高
隨著工商業儲能項目的迅速落地實施,儲能系統的規模持續擴大,其中電氣設備的復雜程度也與日俱增。絕緣故障一旦出現,極有可能致使系統停機、設備遭受損壞,甚至引發安全事故?;诖耍袌鰧τ诮^緣監測設備的需求呈現出日益增長的態勢。
2.2 政策法規強力推動
國家以及行業針對儲能系統的安全運行制定了嚴苛的要求,相關標準清晰明確地規定,儲能系統必須配備絕緣監測裝置,以此來確保系統的絕緣性能契合安全規范。
2.3 用戶對可靠性高要求
工商業用戶對于儲能系統的可靠性和穩定性有著要求。絕緣監測儀能夠助力用戶實時把控系統的絕緣狀態,提前對潛在風險發出預警,減少故障的發生概率,進而提升系統的運行效率。
2.4 預防性維護的迫切需求
絕緣監測儀能夠憑借數據記錄和分析功能,輔助用戶制定科學合理的維護計劃,降低運維成本,延長設備的使用壽命。



EMC報告



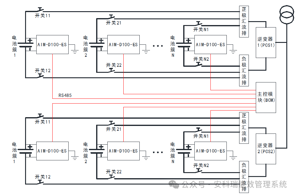
該示例儲能系統中,設置多個絕緣監測儀,但是由于一個系統中多個絕緣監測儀會影響監測結果,因此需要采用控制模塊進行控制。系統采用主控模塊來控制各絕緣監測儀采用分時控制策略,保證同一時間內只有1只絕緣監測儀在工作,在電池開關斷開后,依然可以進行監測,保障系統的安全性、穩定性和可靠性。
五、結語
安科瑞電氣股份有限公司所推出的絕緣監測儀,憑借高精度測量、豐富多樣的功能以及智能化特性,于工業和商業儲能領域收獲了廣泛應用。該設備借由實時監測儲能系統狀態并及時發出預警,切實保障了儲能系統的電氣安全,顯著提升其運行效率與可靠性。展望未來,安科瑞會持續以技術創新作為發展驅動力,致力于為全球用戶打造更為優質的電氣安全的解決方案,為儲能行業的可持續發展貢獻力量。
以上內容僅作為學習交流使用,禁止用于商業用途
如有錯漏之處,敬請指正
如有侵權,請聯系刪除
